Exercício Resolvido de Resistores
publicidade   

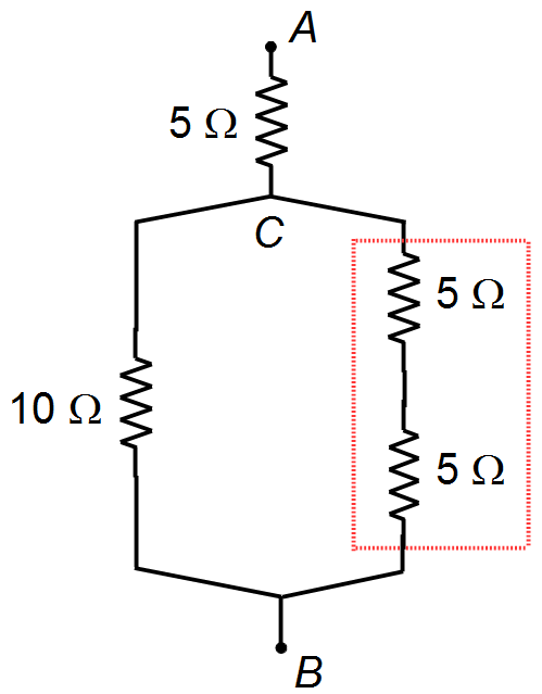
Entre os terminais A e B da figura aplica-se uma d.d.p. de 200 V. Calcule as intensidades das correntes em cada resistor e o resistor equivalente.


Dados do problema:
  • Diferença de potencial entre A e B:    VAB = 220 V.

Solução
Os dois resistores de 10 Ω, colocados entre os pontos D e B, estão ligados em paralelo (Figura 1). O resistor equivalente para resistores iguais é dado por
\[ \bbox[#99CCFF,10px] { R_{eq}=\frac{R}{n}} \]
para n = 2
\[ \begin{gather} R_{1}=\frac{10}{2}\\ R_{1}=5\;\Omega \tag{I} \end{gather} \]

Figura 1

Observação: Também poderíamos determinar o resistor equivalente aplicando a expressão para dois resistores quaisquer em paralelo
\[ \bbox[#99CCFF,10px] {R_{eq}=\frac{R_{1}R_{2}}{R_{1}+R_{2}}} \]
\[ \begin{gather} R_{1}=\frac{10.10}{10+10}\\ R_{1}=\frac{10}{20}\\ R_{1}=5\;\Omega \end{gather} \]
Ou poderíamos determinar o resistor equivalente aplicando a expressão geral para associação de resistores em paralelo
\[ \bbox[#99CCFF,10px] {\frac{1}{R_{eq}}=\sum_{i=1}^{n}{\frac{1}{R_{i}}}} \]
\[ \begin{gather} \frac{1}{R_{1}}=\frac{1}{10}+\frac{1}{10}\\ \frac{1}{R_{1}}=\frac{10+10}{10.10}\\ \frac{1}{R_{1}}=\frac{20}{100}\\ R_{1}=\frac{100}{20}\\ R_{1}=5\;\Omega \end{gather} \]

Os dois resistores de 5 Ω entre os pontos C e B estão ligados em série (Figura 2). O resistor equivalente para resistores iguais é dado por
\[ \bbox[#99CCFF,10px] {R_{eq}=nR} \]
para n = 2
\[ \begin{gather} R_{2}=2.5\\ R_{2}=10\;\Omega \tag{II} \end{gather} \]

Figura 2

Observação: Também poderíamos determinar o resistor equivalente aplicando a expressão geral para associação de resistores em série
\[ \bbox[#99CCFF,10px] {R_{eq}=\sum_{i=1}^{n}R_{i}} \]
\[ \begin{gather} R_{3}=5+5\\ R_{3}=10\;\Omega \end{gather} \]

Para os dois resistores em paralelo entre os pontos C e B (Figura 3) vale o mesmo resultado (I) acima
\[ R_{4}=5\;\Omega \]

Figura 3

Para os dois resistores em série entre os pontos A e B (Figura 4) vale o mesmo resultado (II) acima, que é o resistor equivalente do circuito
\[ \bbox[#FFCCCC,10px] {R_{eq}=10\;\Omega} \]

Figura 4

A 1.ª Lei de Ohm é dada por
\[ \bbox[#99CCFF,10px] {U=ri} \]
substituindo U = VAB = 220 V e r = Req = 10 Ω (Figura 5)
\[ \begin{gather} V_{AB}=R_{eq}i\\ i=\frac{V_{AB}}{R_{eq}}\\ i=\frac{200}{10}\\ i=20\;\text{A} \end{gather} \]

Figura 5

Voltando para o circuito da Figura 4 temos dois resistores em série, neste caso os dois resistores são percorridos pela mesma corrente (Figura 6)
\[ \bbox[#FFCCCC,10px] {i_{1}=20\;\text{A}} \]
\[ i_{2}=20\;\text{A} \]

Figura 6

Voltando para o circuito da Figura 3 temos dois resistores de mesmo valor ligados em paralelo entre os pontos C e B, neste caso a corrente i2 se divide igualmente entre os dois resistores (Figura 7)
\[ \begin{gather} i_{3}=i_{4}=\frac{i_{2}}{2}\\ i_{3}=i_{4}=\frac{20}{2}\\ i_{3}=i_{4}=10\;\text{A} \end{gather} \]
\[ \bbox[#FFCCCC,10px] {i_{3}=10\;\text{A}} \]

Figura 7

Voltando para o circuito da Figura 2 temos dois resistores em série, neste caso os dois resistores são percorridos pela mesma corrente (Figura 8)
\[ \bbox[#FFCCCC,10px] {i_{5}=10\;\text{A}} \]
\[ i_{6}=10\;\text{A} \]

Figura 8

Voltando para o circuito da Figura 1 temos dois resistores de mesmo valor ligados em paralelo entre os pontos D e B, neste caso a corrente i6 se divide igualmente entre os dois resistores (Figura 9)
\[ \begin{gather} i_{7}=i_{8}=\frac{i_{6}}{2}\\ i_{7}=i_{8}=\frac{10}{2} \end{gather} \]
\[ \bbox[#FFCCCC,10px] {i_{7}=i_{8}=5\;\text{A}} \]

Figura 9

O esquema completo de correntes será (Figura 10)

Figura 10
publicidade   

Licença Creative Commons
Fisicaexe - Exercícios Resolvidos de Física de Elcio Brandani Mondadori está licenciado com uma Licença Creative Commons - Atribuição-NãoComercial-Compartilha Igual 4.0 Internacional .